最全的液压传动基本知识图解

液压系统是以有压液体作为工作介质进行能量转换的系统,其可在动力源与工作点之间传递能量。

液压能传递:

液压电梯:

液压操作(见动图):

液压传动的工作原理:

传递运动

压力定义:

提升负载:

放大作用力:

能量守恒:

液压装置:

流量:

流量与速度:

压力与负载:

由液压千斤顶的过程可见:

1、液压传动系统以液体为介质,实现了两次能量转换。机械能→液体的压力能→机械能。

2、液压传动的过程必须是在封闭的空间和管道内进行。

3、在液压传动系统中,传动与控制同时存在。

液压传动工作特性:

1、液压传动系统中,传动与控制同时进行。

2、液压传动中的液体压力的大小取决于负载。即压力只随负载的变化而变化,与流量无关。

3、执行机构的运动速度的大小取决于输入的流量而与压力无关。

流量与压力:

流量单位:

流量=升/分钟(l/min);1L=1000立方厘米(cm3)。

质量与重量:

重力:

牛顿第二定律:

压力单位:

压力计算:

无流阻:

压力由外负载产生:

压力由弹性负载产生:

压力由压缩空气产生:

压力由单向阀(带弹簧)产生:

压力由阻尼孔产生:

能量:

液压泵,电动机驱动:

液压泵与油箱:

溢流阀:

换向阀:

流量控制阀:

过滤器:

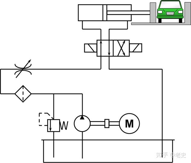
液压系统原理图:

无论液压设备规模大小、系统复杂与否,任何一个液压系统都是由动力元件、执行元件、控制元件、辅助元件、工作介质等几部分组成的。

动力元件:把机械能转换成油液液压能的装置。最常见的形式就是液压泵,它给液压系统提供压力油。

执行元件:把油液的液压能转换成机械能的元件。有作直线运动的液压缸,或作回转运动的液压马达。

控制元件:对系统中油液压力、流量或油液流动方向进行控制或调节的元件。这些元件的不同组合形成了不同功能的液压系统。(见下动图)

辅助元件:上述三部分以外的其他元件,例如油箱、过滤器、油管等。它们对保证系统正常工作有重要作用。

工作介质:工作介质主要包括各种液压油、乳化液和合成液压液。液压系统利用工作介质进行能量和信号的传递。

油箱、液压油和原动机:

液压油:

基本液压系统:

原动机:

大小比较:

100KW原动机:

液压控制阀:

液压控制阀简称液压阀,是液压系统的控制元件。其功用是用来控制液压系统中工作油液的流动方向、压力和流量,从而满足液压执行元件对运动方向、力、运动速度、动作顺序等方面的要求。

液压阀包括方向控制阀、压力控制阀和流量控制阀。

液压阀是由阀体、阀芯和操纵机构三部分组成;液压阀是利用阀芯在阀体内的相对运动来控制阀口的通断及开口大小来工作的。

液压控制阀在系统中不做工功,也不进行能量转换,只是对液压系统起控制作用。

截止阀:

控制阀结构通常采用开关阀工作原理,或者采用滑阀工作原理。对于开关阀来说,球形、锥形或圆盘形阀芯由弹簧紧压在阀座上,由于其单位面积上压力很高,因此,这种阀的阀口密封性能好。该图示阀芯为锥形。

在开关阀中,球形、锥形或者圆盘形阀芯紧压在阀座上,因此,这种阀具有良好密封。

1、方向控制阀:

方向控制阀是用来改变液压系统中各油路之间液流通断关系的阀类。

(1)普通单向阀

普通单向阀的作用是使液体只能沿一个方向流动,不许它反向倒流。

(2)液控单向阀

当控制口无压力油通入时,它和普通单向阀一样,不能反向倒流。当控制口接通控制油压时,即可推动控制活塞,顶开单向阀的阀芯,使反向截止作用得到解除,液体即可在两个方向自由通流。

(3)换向阀

换向阀是借助于阀芯与阀体之间的相对运动,使与阀体相连的各油路实现接通、切断,或改变液流方向的阀类。

单向阀只允许工作油液向一个方向流动。对于图示流动方向,在复位弹簧和工作油液作用下,阀芯将阀口关闭。

单向阀中也可以不带复位弹簧。由于在关闭位置不允许有泄漏,所以,单向阀通常为开关阀式结构。

对于图示流动方向,在工作油液作用下,单向阀开启。

该图示表明了滑阀工作原理。为使阀芯移动,阀芯与阀体之间应有间隙。为减小液压卡紧力,通常在阀芯上开均压槽,以使压力平衡,并形成油膜。这样,可使阀芯移动时的摩擦损失最小。

这种阀的密封性能并不太理想,即总存在工作油液渗漏。

二位二通换向阀具有三个油口,即工作口A、进油口P和泄油口L。在此图示中,换向阀处于静止位置时,进油口P与工作油口A不接通。

在泄油口上可连接泄油管路,以泄掉复位弹簧和阀芯腔中的油液。

驱动二位二通换向阀动作时,则进油口P与工作油口A接通。二位二通换向阀也可以为常开式,即在静止位置时,进油口P与工作口A接通。

二位三通换向阀具有三个油口,即工作油口A、进油口P和回油口T。工作油液可从进油口P流向工作油口A,或者从工作油口A流向回油口T,在上述两种情况下,未接通的油口处于关闭状态。在图示静止位置,进油口P关闭,而工作油口A与回油口T接通。

当驱动二位三通换向阀动作时,进油口P与工作油口接通,而回油口T关闭。

二位三通换向阀也可以为常开式,即在静止位置时,进油口P与工作口A接通,而回油口T则关闭。

二位四通换向阀具有四个油口,即工作油口A和B、进油口P及回油口T。进油口P总是与一个工作油口(A或B)接通,而另一个工作油口(B或A)则与回油口T接通。在图示静止位置,进油口P与工作油口B接通,而工作油口A则与回油口T接通。

与带三台肩的二位四通换向阀相反,带二台肩的二位四通换向阀无泄油口L。

驱动二位四通换向阀动作时,进油口P与工作口A接通,而工作口B则与回油口T接通。二位四通换向阀也可以为常开式,即在静止位置时,进油口P与工作口A接通,而工作口B则与回油口T接通。

二位四通换向阀具有四个油口,即工作油口A和B、进油口P及回油口T。进油口P总是与一个工作油口(A或B)接通,而另一个工作油口(B或A)则与回油口T接通。在图示静止位置,进油口P与工作油口B接通,而工作油口A则与回油口T接通。

带三台肩的二位四通换向阀应有泄油口L,否则液压油将困在该阀内。

当驱动二位四通换向阀动作时,进油口P与工作口A接通,而工作口B则与回油口T接通。

从逻辑角度看,三位四通换向阀是由二位四通换向阀和一个静止位置组成。三位四通换向阀具有多种中位机能形式(如图示三位四通换向阀,其中位机能为O型)。在图示工作位置,进油口P与工作口B接通,而工作口A则与回油口T接通。

三位四通换向阀处于静止位置时,除了泄油口外,其它所有油口都关闭。当三位四通换向阀处于静止位置时,液压泵出口压力为安全阀的设定压力。

三位四通换向阀向右换向,则进油口P与工作油口A接通,而工作油口B则与回油口T接通。

2、压力控制阀:

液压系统中控制油液压力高低的液压阀,统称为压力控制阀。它是利用阀芯上的液压力和弹簧力相平衡的原理进行工作的。常用的压力控制阀有溢流阀、减压阀、顺序阀等。

(1)溢流阀:

溢流阀的主要作用是维持液压系统中的压力基本恒定,其结构有直动式和先导式两种。

溢流阀的应用

1)溢流定压作用:在定量泵节流调速系统中,溢流阀处于常开状态,保证了泵的工作压力基本不变。

2)防止系统过载:在变量泵调速系统中,系统正常工作时,溢流阀口处关闭状态,液压泵输出流量全部进入执行元件。当系统超载,系统的压力超过溢流阀调定值时,溢流阀迅速打开,油液流回油箱,系统压力不再升高,确保系统安全。此时的溢流阀称为安全阀。

3)背压作用:在液压系统的回油路上串接一个溢流阀,造成可调的回油阻力,形成背压,以改善执行元件的运动平稳性。

4)远程调压和系统卸荷作用:利用远控口进行远程调压或系统卸荷。

该溢流阀采用开关阀式结构。当溢流阀处于静止位置时,在调压弹簧作用下,其溢流口关闭。在这种情况中,对于未带负载液压缸,当活塞杆伸出时,液压泵输出流量全部流入液压缸。

一旦进油口A上油压所产生的作用力大于调压弹簧的弹簧力,溢流阀则开启。在这种情况中,液压缸活塞杆完全伸出后,液压泵输出流量全部通过溢流口流回油箱。

(2)减压阀:

减压阀是将阀的进口压力(一次压力)经过减压后使出口压力(二次压力)降低并稳定的一种阀,又叫定值输出减压阀。减压阀有直动式和先导式两种,先导式减压阀最为常用。

减压阀是常开的,其出口压力由调压弹簧设定。减压阀可将进口压力降至出口压力。在液压系统中,如果不同设备需要不同压力,则可以使用减压阀。

当出口压力升高时,作用在控制活塞左端面上油压力变大,控制活塞向右移动,阀口变小,压降增大,从而使出口压力降至设定值。在滑阀式结构中,也可以采用控制边结构,以缓慢增加开口量,从而使减压阀具有较高调压精度。

当出口压力达到最大设定压力时,阀口完全关闭。进口压力由溢流阀设定。

在图示回路中,液压缸活塞杆伸出,减压阀出口压力小于系统压力,且恒定。

液压缸活塞杆现处于完全伸出状态,此时出口压力不断升高,阀口完全关闭。

3、流量控制阀:

液压系统中执行元件运动速度的大小,由输入执行元件的油液流量的大小来确定。流量控制阀就是依靠改变阀口通液面积(节流口局部阻力)的大小或通流通道的长短来控制流量的液压阀类。

(1)节流阀:

可通过调节手柄使阀芯作轴向移动,改变节流口的通流截面积来调节流量。

影响节流口流量稳定性的因素:

① 节流口前后压差;

② 油温;

③小流量时的节流口阻塞。

可调单向节流阀由可调节流阀和单向阀组成。在图示单向阀关闭方向(从油口A到油口B),工作油液通过可调节流阀流出,这可产生较大压力损失。可调单向节流阀与溢流阀或变量泵一起使用,可以改变速度。随着可调节流阀进口压力升高,导致溢流阀开启,此时多余流量流回油箱。

沿相反方向(从油口B到油口A),无节流作用,即工作油液可自由流过(单向阀功能)。

(2)调速阀:

调速阀是在节流阀前面串接一个定差减压阀组合而成。无论调速阀的进口油液压力或出口油液压力发生变化时,由于定差减压阀的自动调节作用,节流阀口前、后压差总能保持不变,从而保持流量稳定。但是,当压力差很小时,由于减压阀阀芯被弹簧推至最下端,减压阀阀口全开,不起稳定节流阀前后压力差的作用,故这时调速阀的性能与节流阀相同,所以调速阀正常工作时,至少要求有0.4~0.5MPa以上的压力差。

调速阀可提供恒定流量,而与其进出口压力变化无关。首先,通过调节螺杆调节节流口开度,以获得期望流量,其次,定差减压阀可以保证其节流口前后之间压差恒定。图示为调速阀处于静止位置。

调速阀总是与溢流阀一起使用,即多余流量可通过溢流阀流回油箱。

当工作油液流过调速阀时,定差减压阀可保证其节流口前后之间压差恒定。

液压阀的基本参数:

1、公称通径Dg(公称流量qg):

表示液压阀通流能力的大小,对应于液压阀的额定流量表示中低压阀的规格

2、公称压力Pg:长期允许的最高压力。

本文来源于互联网,标注作者:李兵。暖通南社整理编辑。

发布于 2019-03-22 10:19