AT变速箱最新资讯及技术分析(十九)—本田的平行轴式自动变速箱

AT变速箱最新资讯及技术分析(十九)—本田的平行轴式自动变速箱

本田的平行轴式4AT/5AT/6AT自动变速箱技术分析

本田的平行轴变速箱在上世纪90年代是非常具有自身的特色的,在那个4AT/5AT的年代,可谓是一股清流了。在其他厂家都采用行星机构的4AT和5AT技术方案时,本田则另辟蹊径,采用平行轴齿轮和湿式离合器换挡的技术方案。但该技术方案为什么在AT多挡化的进程中,慢慢的输给了行星齿轮式的AT呢?

▲本田的平行轴6AT


本田平行轴AT的历史

本田从上世纪96年开始研发平行轴的4AT,那时候自动变速箱领域都是辛普森式或者拉维纳是的4AT。2000左右,本田在平行轴4AT的基础上研发5AT,那时候的5AT相比于行星式的4AT还是有技术优势的,传动范围较大,挡位多一个,还能省了点油。2010年左右,本田在其平行轴5AT的基础上开始研发6AT,但该6AT相比于市面上的莱佩莱捷式6AT就没有什么技术优势了,体积重量都比后者大,效率也不占优。再往后,本田继续研发了平行轴式8AT(8DCT),算是平行轴式AT的技术延续了,但再往后,估计本田的平行轴式AT要落幕了。

本田平行轴4AT

本田的平行轴式AT与行星齿轮式AT最大的不同是内部采用平齿轮传动、湿式离合器换挡,有点像AMT。但不同于同步器换挡,湿式离合器换挡可实现平滑的换挡操纵,保证换挡过程中的动力不中断和换挡平顺性,换挡感觉基本上与行星齿轮式AT无异。


▲本田的平行轴4AT内部结构

本田的平行轴式4AT采用3轴布置的形式,分别为输入轴、第二轴和中间轴。3、4挡离合器布置在输入轴上,1、2挡离合器布置在第二轴上,前进挡/倒挡机构、单向离合器布置在中间轴上。倒挡通过齿套进行切换,其他4个前进挡位分别用4个湿式离合器进行切换。与行星齿轮式的4AT类似,1-2挡的切换,也通过单向离合器完成,2挡换挡时,直接控制2挡的离合器,1挡齿轮由于单向离合器的转速超越就自动脱开了,这样简化了1-2切换的控制,保证换挡过程的平顺性。

▲本田初期的平行轴4AT传动简图

后续,本田改进了4AT,为了简化结构和缩短轴向长度,取消了单向离合器,通过离合器控制实现1-2挡之间的平顺换挡。这也是网上很多评测,本田的4AT/5AT在1-2挡切换时没有丰田的4AT/6AT平顺的原因,丰田的4AT/6AT一直都有单向离合器的。

▲本田改进型的平行轴4AT传动简图

本田在取消单项离合器后,应对1-2挡平顺切换的主要措施:

(1)、离合器离心油压消除装置;

(2)、独立的离合器压力控制回路;

(3)、新型的离合器操纵逻辑;

本田通过离合器油缸的特别设计,使旋转油缸的两侧都进液压油,保证离合器油缸在分离状态下两侧的离心压力相同,从而抵消油缸的离心油压,为离合器油压的精确控制打下基础。这个技术在后续ZF的6AT和爱信的6AT中也广泛使用。

▲本田4AT的抵消离合器离心油压的措施

没有取消单项离合器前的本田4AT,1-2挡切换只需控制2挡离合器的油压就可以,但取消单项离合器后,则需要分别对1、2挡离合器进行精确的控制。为此,本田设计了独立的压力控制回路,通过两个电磁阀进行压力的调节。

▲本田4AT的1、2挡离合器的独立压力控制回路

本田通过在2挡离合器中引入压力开关,获得2挡离合器的冲油压力,从而进行反馈控制,实现了离合器切换过程中转矩相和惯性相的过渡,从而实现1-2挡之间的平滑切换。

▲本田4AT的1、2挡离合器的控制逻辑

▲本田4AT有单向离合器时的1-2切换曲线

▲本田4AT取消单向离合器后的1-2切换曲线


本田平行轴5AT

本田的平行轴5AT是在4AT的基础上研发,相比于4AT,如下图所示,最大的改进是增加了齿轮15、齿轮17、离合器16,从而增加了一个挡位。同时齿轮7由4AT的过渡齿轮变为1个塔轮,用于稍微调整1挡、2挡和5挡的传动比。

▲本田平行轴式5AT传动简图

本田的5AT是在4AT的基础上,增加了一个5挡,其他挡位的传动比基本不变,也就是说为了扩大传动比范围而增加的挡位,主要用于降低高速时的燃油经济性,而不是改善低速时的换挡平顺性。传动范围由4AT的4.07变为4.7,这15%的传动比范围的增大,相比于本田的4AT或者丰田的4AT就很有优势了,能减少高速时的油耗。

▲本田平行轴式5AT和4AT的传动比参数

其实本田也发展了带单向离合器形式的平行轴式5AT,具体的研发时间和研发型号我就不探究了,因为这些不是技术问题。该5AT与没有单向离合器形式的5AT最大的不同是:在中间轴中设置了1个3挡离合器,在第二轴上设置了1个单向离合器。单向离合器对简化1-2挡之间的换挡操纵,提高换挡平顺性,是有很好的效果。

▲本田带单向离合器的平行轴式5AT传动简图

▲本田带单向离合器的平行轴式5AT


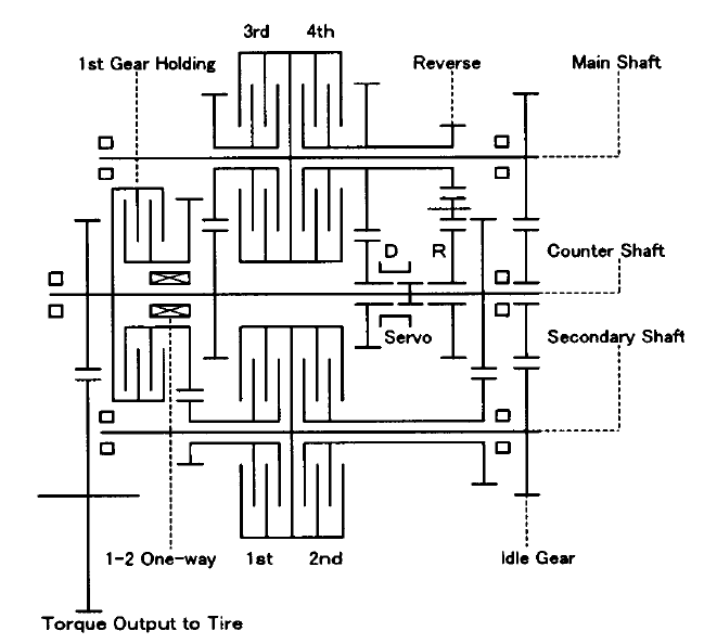
本田平行轴6AT

2000年后,随着ZF、爱信、GM等厂家推出了横置6AT后,本田也着急了。工程师们又开始在自己的5AT基础上做文章了,改成了6AT。轴系布置有一定的变化,变成四轴式,齿轮和离合器的位置也发生了改变(不改变不行,有限的空间内无法容纳更多的齿轮和离合器了)。

▲本田平行轴式6AT

结构上新增了一根倒挡轴,倒挡的操纵机构从5AT的中间轴改动到倒挡轴上,并在倒挡轴上设置4挡离合器。其他的齿轮、轴与5AT共享。这样,在原来的5AT的空间内实现了6AT,轴向空间还缩短了18mm。但6AT增加了轴系,增加了结构的复杂度,体积和成本都不占优势。

▲本田平行轴式6AT传动简图

本田重新调整了各挡位的传动比,这次主要增加低挡的传动比,并降低了各挡位的换挡阶比,传动范围也从5AT的4.7扩大到6左右。因此,6AT的改进主要是:提高低速的加速能力,改善换挡平顺性。

▲本田平行轴式6AT的各挡传动比


本田平行轴4AT/5AT/6AT的结构对比

本田平行轴式AT的结构演变:从4AT、5AT的三轴式,到6AT的四轴式,湿式离合器数目从4AT的4个、5AT的5个到6AT的5个。齿轮数目方面,6AT的14个齿轮,基本上与大众的7DCT相同。但其最大的问题是:离合器占用了更多的轴向空间,也限制了挡位数的进一步增多。

▲带单向离合器的本田平行轴式4AT


▲不带单向离合器的本田平行轴式4AT

▲本田平行轴式5AT

▲本田平行轴式6AT

因此本田的8AT(8DCT)用同步器替换了湿式离合器,节省了轴向空间,从而布置更多的齿轮,实现了8个前进挡位。


平行轴AT的技术出路

那么本田平行轴式AT还能进一步发展吗?个人认为不改变设计思路,再想增加挡位已经不可能了。

深层次的原因为:定轴齿轮机构的机构复用率太低,也即是说1对齿轮、1个离合器对应1个挡位,要想增加挡位必须增加相应的齿轮和离合器数目。而行星机构则不同,它通过离合器/制动器的组合实现不同的操纵序列(挡位组合),机构复用率很高,每个挡位都是用这几个行星排和这几个离合器,就是不同的排列组合而已。可以在不增加太多机构的情况下,使挡位数实现倍增。因此行星齿轮是AT在自动变速箱的多挡化进程中得到快速的发展,并逐渐脱颖而出,战胜了平行轴式AT。

其实2010年以来,平行轴形式的变速箱也开始追求机构的复用率,通过提高机构的自由度,每个挡位需要操纵多个同步器,通过排列组合实现多挡位。例如大众的10DCT(项目已下马)、IAV的7DCT和扶桑的6DCT,都是每个挡位需要操纵2个或者3个同步器,扶桑的6DCT用5对齿轮实现6个挡位,IAV的7DCT用5对齿轮实现7个挡位、大众的10DCT用7对齿轮实现10个挡位,这些传动方案都大大提高了机构的复用率,可有效缩小变速箱的体积。但会带来控制的难度,估计也是大众10DCT下马的原因。

说回本田平行轴式AT,要想再进一步发展,必须提高机构的复用率,通过增加传动机构的自由度,跟多自由度行星齿轮机构一样,用离合器的排列组合多挡位,尽量实现齿轮机构、离合器机构的复用。后续在写DCT时,再详细介绍多自由定轴齿轮机构的设计方法。


小结

1、本田的平行轴式4AT、5AT、6AT很有自己的特色,在一定的历史时期内具备一定的技术优势,例如成本、工艺等;

2、但在自动变速箱多挡化的进程中,由于机构复用率低,导致与多自由度行星齿轮式AT的竞争中处于不利的位置;

3、本田平行轴式AT要想再进一步发展,必须提高机构的复用率,但谈何容易,大众的10DCT都下马了;多挡化还得依仗多自由行星机构。



注:部分图片来源于网络或SAE文献,如有侵权,请联系13810696083。

参考文献:

1、 Ohashi T , Asatsuke S , Moriya H , et al. Honda's 4 Speed All Clutch To Clutch Automatic Transmission[C]// International Congress & Exposition. 1998.

2、Wakamatsu H , Ohashi T , Asatsuke S , et al. Honda's 5 Speed All Clutch To Clutch Automatic Transmission[J]. 2002.

3、High Efficiency 6-speed Automatic Transmission. SAE paper: 2010-01-0858


更多文章,请关注微信公众号:传动与驱动。

发布于 2019-03-16 21:12